MANÍPULO MARGARIDA EM PP MACHO

O manipulo tipo margarida é ideal para aplicações que exigem ajuste manual rápido, conforto na pegada e durabilidade mecânica. Fabricado com cabeça em polipropileno e parte metálica em aço zincado, oferece excelente resistência à corrosão e ao uso contínuo em ambientes industriais.

Características principal:

  • ⚙️ Cabeça: Polipropileno de alta resistência
  • 🔩 Parte metálica: Aço zincado (opcional em latão ou inox sob demanda)
  • 📐 Formato: Margarida com base retangular para melhor distribuição de força
  • 🧵 Rosca interna: Personalizável conforme necessidade técnica
  • 🗜️ Modelos de manípulos margarida macho e fêmea: Polipropileno e Baquelite

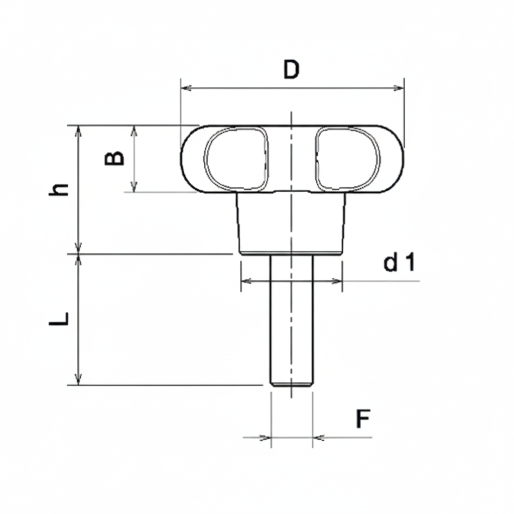
3 Manipulo Margarida em PP Macho Desenho Tecnico

CÓDIGO D H B L D1 ROSCA – F
MAN-12-001 35 24 10 25 18 M6
MAN-12-002 35 24 10 25 18 M8
MAN-12-003 35 24 10 25 18 M10
MAN-12-004 35 24 10 25 18 1/4
MAN-12-005 35 24 10 25 18 5/16
MAN-12-006 35 24 10 25 18 3/8
CÓDIGO D H B L D1 ROSCA – F
MAN-12-007 45 25 13 25 20 M6
MAN-12-008 45 25 13 25 20 M8
MAN-12-009 45 25 13 25 20 M10
MAN-12-010 45 25 13 25 20 M12
MAN-12-011 45 25 13 25 20 1/4
MAN-12-012 45 25 13 25 20 5/16
MAN-12-013 45 25 13 25 20 3/8
CÓDIGO D H B L D1 ROSCA – F
MAN-12-014 60 32 14 25 23 M6
MAN-12-015 60 32 14 25 23 M8
MAN-12-016 60 32 14 25 23 M10
MAN-12-017 60 32 14 25 23 M12
MAN-12-018 60 32 14 25 23 5/16
MAN-12-019 60 32 14 25 23 3/8

Produtos relacionados

1
Oi, qual produto você está procurando?
Olá! Vamos fazer um orçamento?